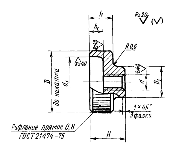
Согласно стандарту ГОСТ 14727-69 изготавливаются гайки со сферическим торцом, предназначенные для станочных приспособлений.
| ДЭК | 0.489 | -1.61% |
| МОЭСК | 0.887 | -0.45% |
| МРСК Центр | 0.504 | -0.69% |
| ИркЭнерго | 18.18 | -0.11% |
| Ленэнерго | 5.73 | +0.35% |
| ЭнелРос | 1.229 | -0.08% |
| ОГК-2 | 0.569 | +0.26% |
| МосЭнерго | 2.982 | +0.12% |
| Транснефть | 10000 | +0.08% |
| ИнтерРАО | 3.809 | +0.03% |
| ТГК-1 | 0.014 | +0.07% |
| Татнефть | 404.9 | -0.02% |
| Сургутнефтегаз | 29.46 | +0.03% |
| Россети | 1.042 | -0.07% |
| Русгидро | 0.815 | -0.02% |
| ФСК ЕЭС | 0.175 | +0.03% |
| Роснефть | 316.2 | -0.05% |
| Лукойл | 2983.5 | -0.03% |
| Газпром | 122.32 | +0.03% |
23 ноября 2025 11:23 НиколайИспользование облачных платформ обеспечивает масштабируемость: можно легко добавлять или сокращать... |
Гайка со сферическим торцом ГОСТ 14727-69 и гайка с накаткой ГОСТ 14726-69 | |||||||
![]() |
|
||||||
|
Согласно стандарту ГОСТ 14727-69 изготавливаются гайки со сферическим торцом, предназначенные для станочных приспособлений. Материал 40Х, но возможна замена на сталь других марок с механическими свойствами не ниже, чем у стали 40Х. Данные гайки изготавливаются двух исполнений и подвергаются обязательной термообработке. Покрытие хим.окс., так же по соглашению с потребителем допускается применение других видов покрытий. У нас вы можете заказать гайку со сферическим торцом, изготовленную с соблюдением всех требований ГОСТ. Упаковка и доставка до транспортной компании входят в стоимость. Имеем возможность изготовления гайки с накаткой, предназначенной для станочных приспособлений. Производится данное изделие с диаметром резьбы М5-М12 мм. Материал-сталь марки 45, покрытие хим.окс.прм. Гайка с накаткой применяется в условиях высоких механических нагрузок и обеспечивает надежное соединение деталей. При наличии у вас потребности в данной гайке можете направить запрос на любую электронную почту или оставить заявку на сайте. |
|||||||
Контактная информация: |
|||||||
Предприятие: |
ООО РусСпецКрепеж | ||||||
Адрес в интернет: |
rskrepeg.ru | ||||||
Почтовый адрес: |
Таганрог, ул. Лесная Биржа, д.6-К | ||||||
Телефон: |
88634377380 | ||||||
E-mail: |
отправить сообщение | ||||||
Контактное лицо: | |||||||
|
Ирина Михайловна Уварова | ||||||
Навигационная цепочка: |
|||||||
Быстрые ссылки: |
|||||||
|
Похожие объявления
|
|||||||
Болт Г-образный ГОСТ 9047-69 |
|
| Г-образный болт предназначен для станочных приспособлений. | |
Гайка со сферическим торцом ГОСТ 14727-69 и гайка с накаткой ГОСТ 14726-69 |
|
| Согласно стандарту ГОСТ 14727-69 изготавливаются гайки со сферическим торцом, предназначенные для станочных приспособлений. | |
Гайка низкая ГОСТ 5916-70 |
|
| Предлагаем шестигранную низкую гайку класса точности В ГОСТ 5916-70 от завода-изготовителя. | |
Гайка врезная ГОСТ 16561-76 |
|
| Поставим врезную гайку с прямым рифлением ГОСТ 16561-76 номер 1 и номер 2 диаметрами М4 и М6. | |
Гайка ГОСТ 15521-70- ГОСТ 15525-70 |
|
| Изготовим гайки ГОСТ 15521-70- ГОСТ 15525-70 | |
|
|
Добавить сюда свой банер можно в кабинете пользователя
| Кушва | 1 |
| New York | 2 |
| Волгоград | 2 |
| Воронеж | 2 |
| Далянь | 2 |
| Донецк | 1 |
| Екатеринбург | 32 |
| Жуковский | 1 |
| Запорожье | 2 |
| Иркутск | 2 |
| Казань | 2 |
| Красноярск | 1 |
| Минск | 1 |
| Москва | 63 |
| Москвп | 1 |
| Мытищи | 1 |
| Нефтеюганск | 1 |
| Новгород | 1 |
| Новосибирск | 3 |
| Норильск | 1 |
| Область | 2 |
| Оренбург | 1 |
| Повсеместно | 1 |
| Ростов | 1 |
| Ростов-на-Дону | 1 |
| Ростовская обл | 1 |
| Самара | 1 |
| Санкт-Петербург | 18 |
| Таганрог | 3 |
| Таганрог, Ростовская область, Россия | 1 |
| Томск | 2 |
| Шэньян Ляонин | 1 |
| Энгельс | 11 |
| Ярославль | 1 |


11:23








