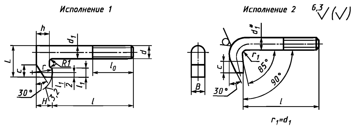
Г-образный болт предназначен для станочных приспособлений.
Поиск по объявлениям
Фильтр по категориям
Фильтр по странам
Биржевые цены, USD
Котировки акций энергокомпаний
| ДЭК | 0.489 | -1.61% |
| МОЭСК | 0.887 | -0.45% |
| МРСК Центр | 0.504 | -0.69% |
| ИркЭнерго | 18.18 | -0.11% |
| Ленэнерго | 5.73 | +0.35% |
| ЭнелРос | 1.229 | -0.08% |
| ОГК-2 | 0.569 | +0.26% |
| МосЭнерго | 2.982 | +0.12% |
| Транснефть | 10000 | +0.08% |
| ИнтерРАО | 3.809 | +0.03% |
| ТГК-1 | 0.014 | +0.07% |
| Татнефть | 404.9 | -0.02% |
| Сургутнефтегаз | 29.46 | +0.03% |
| Россети | 1.042 | -0.07% |
| Русгидро | 0.815 | -0.02% |
| ФСК ЕЭС | 0.175 | +0.03% |
| Роснефть | 316.2 | -0.05% |
| Лукойл | 2983.5 | -0.03% |
| Газпром | 122.32 | +0.03% |
Новые комментарии
23 ноября 2025 11:23 НиколайИспользование облачных платформ обеспечивает масштабируемость: можно легко добавлять или сокращать... |
Болт Г-образный ГОСТ 9047-69
Болт Г-образный ГОСТ 9047-69 | |||||||
![]() |
|
||||||
|
Г-образный болт предназначен для станочных приспособлений. Для первого исполнения применяется сталь марки 45, которая характеризуется высокой прочностью и долговечностью, для второго исполнения сталь горячекатанная круглая обычной точности прокатки В, допускается замена на стали других марок. Данные болты идеальны для применения в тяжелых промышленных условиях, они обладают большим сроком службы благодаря своей конструкции. Для заказа Г-образных болтов обращайтесь к менеджеру. Свое производство. Доставка ТК по всей России. |
|||||||
Контактная информация: |
|||||||
Предприятие: |
ООО РусСпецКрепеж | ||||||
Адрес в интернет: |
rskrepeg.ru | ||||||
Почтовый адрес: |
Таганрог, ул. Лесная Биржа, д.6-К | ||||||
Телефон: |
88634377380 | ||||||
E-mail: |
отправить сообщение | ||||||
Контактное лицо: | |||||||
|
Ирина Михайловна Уварова | ||||||
Навигационная цепочка: |
|||||||
Быстрые ссылки: |
|||||||
|
Похожие объявления
|
|||||||
Новые объявления
Болт Г-образный ГОСТ 9047-69 |
|
| Г-образный болт предназначен для станочных приспособлений. | |
Гайка со сферическим торцом ГОСТ 14727-69 и гайка с накаткой ГОСТ 14726-69 |
|
| Согласно стандарту ГОСТ 14727-69 изготавливаются гайки со сферическим торцом, предназначенные для станочных приспособлений. | |
Гайка низкая ГОСТ 5916-70 |
|
| Предлагаем шестигранную низкую гайку класса точности В ГОСТ 5916-70 от завода-изготовителя. | |
Гайка врезная ГОСТ 16561-76 |
|
| Поставим врезную гайку с прямым рифлением ГОСТ 16561-76 номер 1 и номер 2 диаметрами М4 и М6. | |
Гайка ГОСТ 15521-70- ГОСТ 15525-70 |
|
| Изготовим гайки ГОСТ 15521-70- ГОСТ 15525-70 | |
ещё 5 оъявлений
|
|
реклама
Добавить сюда свой банер можно в кабинете пользователя
| Кушва | 1 |
| New York | 2 |
| Волгоград | 2 |
| Воронеж | 2 |
| Далянь | 2 |
| Донецк | 1 |
| Екатеринбург | 32 |
| Жуковский | 1 |
| Запорожье | 2 |
| Иркутск | 2 |
| Казань | 2 |
| Красноярск | 1 |
| Минск | 1 |
| Москва | 63 |
| Москвп | 1 |
| Мытищи | 1 |
| Нефтеюганск | 1 |
| Новгород | 1 |
| Новосибирск | 3 |
| Норильск | 1 |
| Область | 2 |
| Оренбург | 1 |
| Повсеместно | 1 |
| Ростов | 1 |
| Ростов-на-Дону | 1 |
| Ростовская обл | 1 |
| Самара | 1 |
| Санкт-Петербург | 18 |
| Таганрог | 3 |
| Таганрог, Ростовская область, Россия | 1 |
| Томск | 2 |
| Шэньян Ляонин | 1 |
| Энгельс | 11 |
| Ярославль | 1 |


11:23







